Только оптовая торговля с НДС. Цены указаны справочно и на момент обращения могут отличаться от указанных.Актуальные цены и Оптовые скидки Вы можете узнать по телефонам: +375-17-235-03-12 (13,14,84)
- Брэнды
- Контакты
- Политика обработки персональных данных
- Справочник (База знаний)
- Электромагнитные муфты
- Муфта ЭТМ 3С - в сухой среде
- Муфта ЭТМ ...2 - в масляной среде
- Муфта ЭТМ ...6 - тормозная электромагнитная
- Муфта ЭТМ ...1С - .. в "сухой" среде
- Муфта ЭТМ ...5С - .. в "сухой" среде
- Щёткодержатель ЭМЩ 2А.00
- Серия ЭМ многодисковые фрикционные муфты
- Электромагнитные муфты тип 3KL
- Электромагнитные муфты тип KLDO
- Кабели и провода
- Провод нагревательный ПНСВ
- Провода изолированные для воздушных линий передач СИП-1
- Провода и кабели связи
- Провода силовые для электрических установок
- Шнуры с паралельными медными жилами ШВВП, ШВВПн
- Провода со скрученными медными жилами ПВС, ПВСн
- ПВ-3 (ПуГВ) провод с медной жилой с изоляцией из ПВХ пластиката, повышенной гибкости
- Провод с медной жилой ПВ-1
- Кабели контрольные КВВГ, КВВГнг, КВВГ-Т, КВВГнг-Т, АКВВГ, АКВВГнг, АКВВГнг-Т
- Кабели для нестационарной прокладки КГ
- Силовой кабель NYM-J, NYM-0
- Силовые кабели ВБбШв, ВБбШнг
- Силовой кабель АВВГ
- Силовые кабели ВВГ, ВВГнг
- Силовые кабели ВВГнг-LS, АВВГнг-LS
- Силовые кабели АВБбШв, АВБбШнг
- Лампы
- Светильники
- Уличный светодиодный фонарь OCR 75-03
- Светильники для ЖКХ
- Промышленный светильник IHB200-04
- Офисно-административное освещение
- Светильник ДВО-13 Люмсвет LED встраиваемый в подвесные ячеистые потолки
- Светильник Айсберг LED
- Светодиодный потолочный светильник Quadro LED
- Люминесцентный светильник ЛПО-71 Верона
- Светильник люминесцентный ЛПО-71 Опал
- Cветильник люминисцентный ЛПО-71 Астра
- Светильники ЖТУ серии 01
- Светильники уличные ЖКУ 01
- Светильники РКУ серии 01
- Светильник взрывозащищенный РСП 02-160-001 (ВЗГ-200) УХЛ2 1ЕxdIIBT4
- Светильник взрывозащищенный подвесной производственный НСП03-300-001(Н4Б-300)
- Светильник взрывозащищенный подвесной производственный НСП02-200-001 (ВЗГ-200) УХЛ2
- Светильник взрывозащищенный ФСП 02-40-001 (ВЗГ-200) УХЛ4
- Взрывозащищенный светильник ЛПП 05УEx-2х36-025 Ватра
- Светильник ФСП 69-26-001 с реш. с отраж. взрывозащ.
- Светильник люминесцентный ЛВО-13 Опал
- Светильник ЛВО-13 Опал-Грильято
- Встраиваемый светильник ЛВО-13 Милано-Грильято
- Cветильник Люмсвет ЛВО-13 Астра
- Светильник ДВО-13 Люмсвет LED
- Люминисцентный светильник ЛПО-71 Wing
- Светильник Айсберг Т8
- Прожекторы
- Щитовое оборудование и автоматика
- Установочные изделия
- Ящики и рубильники
- Ящики управления освещением ЯУО
- Ящики силовые ЯРП, ЯРВ, ЯВЗ и Я8
- Ящики управления серии Я5000
- Ящик с понижающим трансформатором ЯТП-0,25
- Автоматический выключатель ВА 47-63
- Автоматические выключатели ВА 47+N
- Автоматические выключатели ВА 47-100
- Вводно-распределительные устройства (ВРУ)
- Устройство защитного отключения (УЗО)
- Устройства вводно-распределительные серии ЩУР-7
- Устройство этажное распределительное модульное секционное УЭРМС
- Трансформаторы напряжения
- Шкафы заземления ШЗ-ВЛИ-0,4кВ (Устройства заземления УЗ-ВЛИ-0,38)
- Шкафы управления системами отопления и горячего водоснабжения ШУ-Р
- Шкафы управления технологическими процессами ШУ-ТП
- Шкафы распределительные силовые ШР-11 и ШРС-1
- Шкафы наружного освещения ШНО
- Шкаф оперативного тока ШОТ
- Шкаф автоматического включения резерва АВР
- Щиты этажные серии ЩУР-8
- Щиты управления и автоматики серии ЩУР-4
- Щиты с монтажной панелью ЩМП
- Щиты и боксы под счетчики и автоматы
- Щиты аварийного освещения ЩАО
- Щитки вводно-распределительные серии ЩУР-1
- Щитки для жилых помещений и индивидуальных строений серии ЩУР-9
- Щитки распределительные серии ЩУР-5
- Щитки для хозяйственных построек серии ЩУР-2
- Щиты этажные ЩЭ
- Щиток осветительный ЩО
- Щитки осветительные серии ЩУР-6
- Щиты силовые серии ЩУР-3
- Счетчики электроэнергии однофазный "МИРТЕК-1-BY" 5(60)A
- Трехфазные трансформаторы для медицины ТРТ
- Промышленные однофазные трансформаторы ТРО
- Пункты распределительные ПР-11
- Предохранители
- Посты управления
- Панели распределительных щитов ЩО 70
- Контакторы и пускатели
- Командоконтроллеры серии ККТ
- Лотки, трубы и короба для прокладки кабеля
- Химические насосы типа Х
- Химические насосы Х200-150-315 (Х200-150-315а)
- Химический насос Х 200-150-500 (Х 200-150-500а, Х 200-150-500б)
- Химические насосы Х80-50-200 (Х80-50-200а)
- Химические насосы Х50-32-125
- Насос химический Х100-65-250 (Х100-65-250а)
- Насос химический Х80-65 160 (Х80-65 160а, Х80-65 160б)
- Насос химический Х65-50-160 (Х65-50-160а)
- Насос химический Х 100-65-315
- Насос химический Х 100-65-200 (Х 100-65-200а)
- Насос химический 1Х250-200-500 (1Х250-200-500а, 1Х250-200-500б)
- Насос химический Х 50-32-250
- Насос химический Х150-125-400
- Насос химический Х 80-50-250
- Насос Х 65-50-125 (Х 65-50-125а, Х 65-50-125б)
- Насос химический Х 100-80-160
- Электродвигатели
- Частотные преобразователи
- Редукторы
- Редуктор Ц2У-400КМ
- Редуктор Ц2У-315КМ
- Редуктор Ц2Н-710
- Редуктор Ц2Н-630
- Редуктор 1Ц2У-355
- Редуктор 1Ц2У-315НМ
- Редуктор 1Ц2У-250
- Редуктор 1Ц2У-160
- Редуктор 1Ц2У-125
- Редуктор 1Ц2У-100
- Редуктор 1Ц2Н-500
- Редуктор 1Ц2Н-450
- Редуктор 1Ц2У-400НМ
- Редуктор 1Ц3У-355М
- Редуктор 1Ц3У-250
- Редуктор 1Ц3У-200
- Редуктор 1Ц3У-160
- Редуктор 1ЦУ-160
- Редуктор 1ЦУ-200
- Редуктор 1ЦУ-100
- Лебедки
- Лебедка МТМ WRP-800 MAGNUS PROFI
- МТМ Lema LMT-3220W
- МТМ 3.2
- МТМ-1.6
- МТМ 0,8
- Механизм тяговый тросовой монтажный Lema LMT-1620W
- Лебедка МТМ WRP-3200 MAGNUS PROFI
- Лебедка МТМ WRP-5400 MAGNUS PROFI
- Лебедка МТМ WRP-1600 MAGNUS PROFI
- Лебедка электрическая тяговая ТЭЛ-10
- Лебедка ТЭЛ-5А
- Лебедка тяговая электрическая ТЭЛ-5
- Лебедка ТЭЛ-3.2
- Лебедка ТЭЛ-2
- Лебедка тяговая электрическая ТЭЛ-1
- Лебедка тяговая электрическая У5120.60
- Лебедка тяговая электрическая ТЭЛ-15
- Лебедка тягловая ТЛ-9А
- Лебедка тяговая ТЭЛ-20
- Лебедка тяговая ТЭЛ-8
- Лебедка электрическая тяговая ТЭЛ-10Б
- Электрическая лебедка ТЛ-16
- Лебедка ТЛ-14В
- Электрическая тяговая лебедка ТЭЛ-10Д двухскоростная
- Лебедка ЛМ-8
- Лебедка ЛМ-5
- Лебедка монтажная ЛМ-2
- Лебедка ЛМ-0,5
- Лебедка монтажная ЛМ-0,25
- Лебедка электрическая ТЛ-14Б
- Лебедка электрическая монтажно-тяговая ТЛ-14А
- Лебедка электрическая ЛМ–3,2
- Лебедка скреперная 110ЛС-3СМА
- Лебедка скреперная 110ЛС-2СМА
- Лебедка скреперная 110ЛС-2ПМА
- Лебедка скреперная 55ЛС-3СМА
- Лебедка скреперная 55ЛС-2СМА
- Лебедка скреперная 55ЛС-2ПМА
- Лебедка скреперная 30ЛС-3СМА
- Лебедка скреперная 30ЛС-2СМА
- Лебедка скреперная 30ЛС-2ПМА
- Лебедка скреперная 17ЛС-2СМА
- Лебедка скреперная 10ЛС-2СМА
- Лебедка вспомогательная ЛВ-50, 44
- Лебедка шахтная вспомогательная 1ЛВ-10
- Лебедка шахтная вспомогательная 1ЛВ-09
- Лебедка шахтная посадочная ЛПК-10Б
- Лебедка шахтная монтажная ЛМТ-150
- Лебедка шахтная ЛВМ-25-01
- Лебедка шахтная ЛВ-45
- Лебедка шахтная вспомогательная ШВ-2000
- Лебедка шахтная вспомогательная ЛВВ-50
- Лебедка шахтная вспомогательная 1ЛШВ-01
- Лебедка шахтная проходческая ЛПЭ
- Лебедка шахтная монтажная ЛШП-150
- Лебедка шахтная ЛВМ-25
- Лебедка шахтная ЛШВ-25-У1
- Лебёдка шахтная ЛШВ-14-У1
- Лебёдка шахтная ЛП-130
- Лебедка шахтная ЛМТ-300
- Лебедка шахтная К-92
- Лебедка шахтная ЛУРВ-10Г
- Лебедка ЛУРВ-10
- Лебедка 1ЛШМ
- Лебедка ручная рычажная ЛР-1,6
- Лебедка ручная рычажная ЛР-0,63х2
- Лебедка ручная рычажная ЛР-0,63
- Лебедки монтажные ЛМ-8А, ЛМ-10А
- Лебедка монтажная ЛМ-15А
- Лебедка ТЛ-8Б
- Лебедка маневровая реверсивная ЛЭМ-10Пл
- Лебедка маневровая реверсивная ЛЭМ-5Ш2
- Лебедка маневровая ЛМ-140
- Лебедка ЛМ-71
- Лебедка маневровая ЛЭМ-20
- Лебедка маневровая ЛЭМ-8
- Лебедка ЛЭМ-15
- Лебедка ЛЭМ-10
- Лебедка ручная ТЛ-8Т
- Лебедка ручная ТЛ-5Т (ТЛ-5А)
- Лебедка ручная ТЛ-3Т (ТЛ-3А)
- Лебедка ручная ТЛ-2Т (ТЛ-2А)
- Лебедка ручная настенная ЛР-0,15
- Лебедка ручная ЛР-500
- Лебедка ручная ЛР-1,5
- Лебедка ручная ЛР-1
- Лебедка ручная ЛР-0,25
- Лебедка ручная HWG тип GR2000
- Лебедка ручная HWV тип VS1000 LB
- Лебедка ручная HWV тип VS500 LB
- Лебедка ручная HWV тип VS250 LB
- Лебедка ручная барабанная Дина-2
- Лебедка ручная барабанная Дина
- Лебедка червячная ручная ЛЧ-1
- Лебедка ТЛ-7А-1
- Лебедка ТЛ-7Б-1
- Шпунт Ларсена формы LP, KD, Omega, Z, S. Шпунтовые стены и сваи.
- Крепь гидравлическая серии С-800 для проходки без вибраций
- Крепь шпунтовая серии С-400 для проходки пересекающих коммуникаций.
- Крепь камерная серии С-780 с подвижной распоркой
- Крепь с направляющими и подвижной распоркой серий С-790, С-750, С-740.
- Стальная камера-бокс С-300 Легкая
- Алюминиевая крепь С-250
- Серия 100 - "Стальная экономичная"
- Электромагнитные муфты
- Каталог товаров
- Системы охлаждения
- Системы скрытой проводки под полом
- Ebmpapst
- Система электромонтажных колонн
- Устройства безопасности
- Оборудование телекоммуникационное
- Устройства оптической и акустической сигнализации
- Системы, препятствующие распространению огня, огнестойкие кабель-каналы
- Пункты установки измерительных приборов
- Не определено
- Батарейки, аккумуляторы, зарядные устройства
- Системы распределения высокого напряжения
- Антенны и спутниковые технологии
-
Устройства заземления, молниезащиты и защиты от перенапряжений
- Элемент базовый для устройства защиты от перенапряжений
- Зажим заземления
- Шина заземляющая
- Устройство защиты от импульсных перенапряжений для систем электроснабжения
- Защитный/Разделительный искровой промежуток для молниезащиты
- Набор для заземления / молниезащиты
- Зажим соединительный для молниезащиты
- Зажим разделительный для молниезащиты
- Основание для стержневого молниеприемника молниезащиты
- Аксессуары для заземления и молниезащиты
- Держатель кровельный проводника для молниезащиты
- Разрядник тока молнии для систем электроснабжения
- Стержневой молниеприемник для молниезащиты
- Плоский проводник для молниезащиты
- Токоотвод для молниезащиты круглый
- Соединитель для молниезащиты
- Держатель проводника для молниезащиты
- Соединительная клемма для стержня заземления
- Заземлитель
- Шина уравнивания потенциалов
- Устройства защиты от перенапряжений для терминального оборудования
- Устройства защиты от перенапряжений среднего напряжения 1-36 кВ
- Аппаратура пускорегулирующая
- Учетная техника
- Осветительные аксессуары
- Колодки клеммные
- Инструменты для опрессовки, резки, снятия изоляции
- Материал монтажный
-
Арматура кабельная/Изоляционные материалы
- Заглушка термоусадочная концевая
- Сжим ответвительный, ответвитель
- Скотч и изоляционная лента
- Наконечник быстроразмыкаемый
- Гильза соединительная для медных проводников под опрессовку
- Гильза соединительная для алюминиевых проводников под опрессовку
- Наконечник-гильза для медных проводников
- Наконечник обжимной кабельный для алюминиевых проводников
- Трубка термоусадочная
- Разъем слаботочный
- Зажим соединительный, ответвительный
- Гильза соединительная со срывными болтами
- Наконечник кабельный со срывными болтами
- Наконечник кабельный трубчатый для медных проводников
- Муфта кабельная соединительная
- Система маркировки кабеля
- Муфта кабельная концевая
- Наконечник обжимной кабельный для медных проводников
- Наконечник обжимной кабельный для медных проводников в соответствии с DIN 46236
- Линии электропередач (ЛЭП)
- Изделия монтажные для коммуникационных сетей
-
Системы распределения электроэнергии/распределительные устройства
- Кабельные направляющие для шкафов
- Дверная петля для распределительного шкафа
- Панель монтажная для распределительного щита
- Крышка магистральной клеммной колодки
- Блок/ящик выключателя с плавкими предохранителями
- Маркер/Спрей краска
- Секция шинопровода вводная
- Блок клеммной колодки распределительный
- Аксессуары для сборных шин
- Держатель шины
- Заземляющая шина для распределительного щита
- Секция шинопровода
- Система блокировки для системы распределительного шкафа
- Аксессуары для шинопровода
-
Материалы для подключения
- Клемма соединительная безвинтовая
- Аксессуары для распределительных коробок/корпусов для монтажа в стене и в потолке
- Коробка клеммная
- Крышка для распределительной коробки/корпуса для монтажа в стене и в потолке
- Распределительная коробка/корпус для монтажа в стене и в потолке
- Распределительная коробка/корпус для монтажа на стене и на потолке
-
Электроустановочные изделия
- Основание для открытого монтажа
- Элемент декоративный для электроустановочных устройств
- Выключатель сумеречный (фотореле)
- Вставка светящаяся для электроустановочных устройств
- Датчик движения комплектный
- Коробка монтажная для подключения электроприборов (электроплиты)
- Переключатель кнопочный миниатюрный
- Реле времени механическое для электроустановочных устройств
- Таймер электронный для электроустановочных устройств
- Переходник розетки мультистандартный
- Корпус накладной для открытого монтажа электроустановочных устройств
- Вилка/розетка без защитного контакта
- Кнопка нажимная
- Держатель для модульных бытовых коммутационных аппаратов
- Крышка для выключателя, кнопки, регулятора освещенности, диммера, переключателя жалюзи
- Вилка с защитным контактом бытовая SCHUKO
- Блок "Выключатель-розетка"
- Рамка декоративная для электроустановочных устройств
- Диммер
- Аксессуары для электроустановочных устройств
- Выключатели, переключатели
- Розетка штепсельная
- Вставка/крышка для коммуникационных технологий
- Блок розеток, удлинитель
- Короба кабельные
-
Лампы
- Лампа люминесцентная компактная интегрированная
- Лампа накаливания зеркальная
- Лампа ртутная высокого давления
- Лампа металлогалогенная
- Лампа галогенная сетевого напряжения с отражателем
- Лампа галогенная низковольтная с отражателем
- Лампа ртутно-вольфрамовая дуговая
- Лампа светодиодная
- Лампа натриевая высокого давления
- Лампа сигнальная светофора
- Лампа металлогалогенная с отражателем
- Лампа индикаторная и сигнальная
- Лампа люминесцентная компактная неинтегрированная
- Лампа накаливания в форме свечи
- Лампа галогенная низковольтная без отражателя
- Лампа галогенная сетевого напряжения без отражателя
- Лампа накаливания стандартная
- Лампы специальные (автомобильные, железнодорожные, судовые, авиационные)
- Лампа накаливания в форме шара
- Лампа люминесцентная
-
Изделия крепежные
- Крюк грузоподъемный
- Винт с шестигранным отверстием в головке
- Гайка скользящая
- Кронштейн для кабеля
- Винт самонарезающий
- Анкер болтовой
- Шайба пружинная зубчатая
- Гайка скоростная
- Болт анкерный
- Анкер складной потолочный (пружинный)
- Анкер клиновой
- Втулка изолирующая
- Крюк с винтом
- Саморез по металлу
- Зажим винтовой Гофмана
- Навинчивающийся колпачок
- Основание монтажное для кабельных стяжек и элементов
- Болт с Т-образной головкой
- Лента монтажная
- Стержень резьбовой
- Гайка длинная
- Хомут кабельный (стяжка)
- Шайба
- Гайка стопорная
- Болт с полукруглой головкой и квадратным подголовком
- Анкер забивной
- Болт с шестигранной головкой
- Гайка шестигранная
- Системы ввода для кабелей и проводов
- Коммуникационная техника/Компоненты и системы
- Инструмент ручной
-
Кабеленесущие системы
- Траверса для профильной рейки
- Перекладина для кабельных лотков лестничного типа
- Секция вертикальная угловая для кабельных лотков лестничного типа
- Секция Т-образная для кабельных лотков лестничного типа
- Секция Т-образная для кабельного лотка
- Настенный кронштейн для кабельных лотков
- Лоток кабельный лестничный
- Зажим для крышки системы поддержки кабелей
- Потолочный профиль для кабельных лотков
- Секция угловая для кабельных лотков
- Крышка Т-образной секции для кабельного лотка
- Аксессуары кабельных лотков монтажные
- Деталь крепежная для несущих и и профильных реек
- Потолочный кронштейн для системы прокладки кабеля
- Соединитель для несущих и и профильных реек
- Аксессуары для прокладки кабеля питания/ кабеля для передачи данных
- Крышка угловой секции кабельных лотков
- Держатель трубы/кабеля кабеленесущей системы
- Соединитель для кабельных лотков
- Заглушка для кабельных лотков
- Лоток кабельный проволочный
- Разделитель для лотка
- Крышка для кабельных лотков
- Лоток кабельный листовой
- Настенный и потолочный кронштейн для кабельного лотка
- Секция вертикальная угловая для кабельных лотков
- Соединительные детали для кабельных лотков
- Рейки профильные конструкционные/несущие
- Пластина монтажная для кабельного лотка
- Отвод вертикальный Т-образный для кабельного лотка
- Крышка переходника для кабельных лотков
- Переходник для кабельных лотков
- Кронштейн для кабельного лотка
-
Системы электрических распределительных шкафов
- Вентилятор распределительного шкафа
- Компоненты крепления проводов, кабельных вводов и фиксации кабеля распределительного шкафа
- Компоненты для транспортировки распределительного шкафа
- Обогрев распределительного шкафа
- Компоненты для заземления/уравнивания потенциалов распределительного шкафа
- Карман распределительного шкафа для схем и документов
- Основание/элемент основания распределительного шкафа
- Дверь/панель управления распределительного шкафа
- Крышка/глухая дверь/полоса маркировки распределительного шкафа
- Окно распределительного шкафа
- Панель распределительного шкафа боковая/задняя
- Принадлежности монтажные распределительного шкафа
- Передняя панель распределительного шкафа
- Компоненты для сборки распределительного шкафа
- Распределительный шкаф пустотелый
-
Электроизоляционные трубы/Трубы для защиты кабеля
- Колено трубы для электропроводки
- Распорка для труб защиты кабеля
- Втулка переходная для электромонтажных труб
- Угол трубы для электропроводки
- Труба для прокладки в земле
- Сигнальная лента
- Соединительная муфта для труб защиты кабеля
- Тройник трубы для защиты кабеля
- Заглушка трубы для электропроводки
- Муфта трубы для электропроводки
- Пластиковая труба для электропроводки
- Муфта соединительная для электромонтажных труб
- Системы защиты шланговые
-
Каналы настенного и потолочного монтажа
- Соединитель для напольного кабель-канала
- Защита ввода кабеля в кабель-канал
- Угол внутренний для плинтусного кабель-канала
- Заглушка для плинтусного кабель-канала
- Коробка распределительная для систем кабель-каналов
- Разъем уравнивания потенциалов для настенного кабель-канала
- Поворот для кабель-канала
- Поворот для плинтусного кабель-канала
- Кабель-канал плинтусный
- Соединительный элемент для плинтусного кабель-канала
- Соединитель на стык для плинтусного кабель-канала
- Угол внешний для плинтусного кабель-канала
- Кабель-канал напольный
- Перегородка разделительная для настенного кабель-канала
- Рамка для ввода настенного кабель-канала в стену/потолок/щит
- Заглушка для кабель-канала
- Угол Т-образный для кабель-канала
- Перегородка разделительная для кабель-канала
- Кабель-канал
- Угол Т-образный для настенного кабель-канала
- Зажим кабельный для кабель-канала
- Зажим для настенного крепления кабель-канала
- Угол внешний для настенного кабель-канала
- Угол внутренний для настенного кабель-канала
- Зажим кабельный для настенного кабель-канала
- Угол внешний для кабель-канала
- Поворот для настенного кабель-канала
- Крышка для настенного кабель-канала
- Переходник для кабель-канала
- Коробка установочная для плинтусного кабель-канала
- Соединитель на стык для настенного кабель-канала
- Угол внутренний для кабель-канала
- Заглушка для настенного кабель-канала
- Панель лицевая для настенного кабель-канала
- Коробка монтажная для настенного кабель-канала
- Кабель-канал настенный (парапетный)
- ABB
- Baumer
- Bonetti
- Cisco
- Fanuc
- Festo
- Lenze
- Omron
- RENISHAW
- Schneider Electric
- Sick
- Siemens
- SMC
- Вилки, розетки и устройства промышленные и специальные
- Датчики/сенсоры
- Двигатели ворот, рольставен/Насосы/Вентиляторы
-
Кабели и провода
- Провод плоский для внутренней электропроводки
- Кабель гибкий
- Провод установочный
- Кабель коаксиальный
- Провод акустический
- Кабель для связи и передачи данных
- Кабель силовой < 1кВ для нестационарной прокладки
- Провод самонесущий изолированный для воздушных линий электропередачи
- Кабели связи, телефонные, телекоммуникационные
- Кабель высокого напряжения
- Кабель гибридный
- Кабель информационный для передачи данных, компьютерный
- Кабель контрольный
- Кабель силовой
- Провод гибкий
- Провод неизолированный
- Провод одножильный
- Кабель СИП
- Контрольно-измерительные приборы
-
Оборудование низковольтное
- Дроссель для низковольтных устройств
- Шильдик (пластинка маркировочная) для устройств управления и сигнализации
- Электромагнит привода силового автоматического выключателя
- Элемент передний светового индикатора
- Аксессуары для выключателя аварийной остановки (с тросовым приводом)
- Шасси силового автоматического выключателя
- Заглушка для устройств управления и сигнализации
- Корпус для автоматического выключателя (защиты двигателя)
- Гребенка распределительная
- Пускатель магнитный реверсивный
- Изоляторы низковольтные
- Контактор постоянного тока
- Контактор/магнитный пускатель/силовое реле переменного тока (АС)
- Шина
- Адаптер для устройств управления и сигнализации
- Аксессуары для аппарата цепи управления
- Аксессуары для низковольтных коммутационных аппаратов
- Аксессуары для регулятора частоты
- Аксессуары для устройства управления и защиты двигателя/защитного и управляющего устройства
- Арматура светосигнальная
- Блок-линия разъединитель предохранитель
- Блокировка механическая для выключателя
- Выключатель автоматический для защиты двигателя
- Выключатель автоматический силовой
- Выключатель нагрузки
- Выключатель-разъединитель
- Соединительные шины для автоматов
- Держатель маркировочной пластины аппарата для цепи управления
- Защита от перенапряжения
- Зуммер
- Источник питания переменного тока
- Источник питания постоянного тока
- Катушка управления пускателя, контактора
- Клемма шинная
- Кнопка аварийного отключения в сборе
- Кнопка нажимная в сборе
- Комбинированный пускатель с электронным блоком управления
- Комплект для модернизации силового автоматического выключателя
- Комплект расширительных выводов
- Контакт автоматического выключателя дополнительный
- Контакт вспомогательный
- Контактор/магнитный пускатель для конденсаторов
- Контакторы
- Контакторное реле
- Корпус постов для установки аппаратов управления и сигнализации
- Магнитные пускатели тока
- Модуль усилителя для контакторов
- Ограничитель тока
- Передняя часть (головка) нажимной кнопки
- Переключатель вольтметра
- Переключатель для цепи управления, пакетный
- Переходник на DIN рейку
- Пост кнопочный в сборе
- Потенциометр для аппарата цепи управления
- Предохранитель выключатель-разъединитель
- Преобразователь частоты низковольтный до 1 кВ
- Привод для силовых автоматических выключателей электрический
- Пульт подвесной управления в сборе
- Распределительный клеммный блок
- Расцепитель минимального напряжения
- Расцепитель независимый
- Реле давления
- Реле контроля температуры (термисторное реле)
- Реле тепловое
- Рукоятка управления силовым автоматическим выключателем
- Рукоятка управления силовым коммутационным аппаратом
- Стабилизаторы напряжения
- Трансформатор однофазный силовой низковольтный
- Трансформатор тока
- Трансформатор трехфазный силовой низковольтный
- Управляющий переключатель в сборе
- Устройство плавного пуска
- Устройство управления и защиты двигателя электронное
- Шильдик (пластинка маркировочная) для устройств управления
- Шина сборная
- Элемент передний переключателя
- Ящик с рубильником и предохранителем
-
Отопительные приборы/Технологические и инженерные системы
- Приспособление монтажное для отопительных установок
- Аксессуары для нагревательных кабелей
- Датчик температуры для отопительных приборов
- Завеса тепловая
- Конвектор электрический
- Контроллер температуры в помещении
- Контроллер электрического отопления
- Набор для нагревательных кабелей
- Нагреватель инфракрасный
- Нагреватель/тепловентилятор
- Нагревательный кабель
- Нагревательный мат
- Сплит-система - внешний блок
- Сплит-система - внутренний блок
- Стенной канал для системы вентиляции
- Сушилка для рук
- Термостат с таймером
- Установка вентиляционная
-
Промышленные программируемые логические контроллеры
- Аксессуары для контроллеров
- Аналоговый модуль ввода/вывода программируемого логического контроллера
- Графический дисплей
- Интерфейсный модуль
- Промышленная сеть, децентрализованное периферийное устройство - коммуникационный модуль
- Процессорный модуль программируемого логического контроллера
- Цифровой модуль ввода/вывода программируемого логического контроллера
- Рабочая одежда, охрана труда
-
Реле
- Аксессуары для коммутационного реле
- Блок-контакт с выдержкой времени
- Реле времени
- Реле коммутационное
- Реле контроля коэффициента мощности
- Реле контроля температуры
- Реле контроля тока
- Реле контроля уровня/заполнения
- Реле контроля фаз
- Реле мощности
- Реле направления мощности
- Реле напряжения
- Реле твердотельное
- Розетка-реле
-
Светильники
- Ночник
- Светильник взрывозащищенный переносной
- Светильник переносной
- Светильник аварийного освещения
- Лампа настольная
- Светильник линейный реечного типа
- Светильник направленного света
- Светильник накладной потолочный и настенный
- Светильник направленного света/ прожектор/ даунлайт
- Фонарь карманный, ручной электрический
- Потолочный/настенный светильник
- Светильник настенно-потолочный
- Освещение иллюминационное
- Светильник взрывозащищенный стационарный
- Светильник для высоких пролетов
- Светильник для местного освещения станков
- Светильник для освещения улиц и площадей
- Светильник подвесной
- Светильник пылевлагозащищенный
- Светильники для линейных систем освещения
- Фонарь взрывозащищенный карманный электрический
-
Устройства защиты, плавкие предохранители, модульные устройства/монтажные устройства
- Аксессуары для ножевых плавких предохранителей
- Амперметры
- Вольтметры
- Вспомогательное устройство для устройств распределительного щита (модульного оборудования)
- Вставка цилиндрического предохранителя
- Выключатель автоматический дифференциального тока
- Выключатель автоматический модульный
- Выключатель сумеречный модульный для распределительных щитов
- Выключатель/переключатель модульный для распределительного щита
- Держатель для цилиндрических предохранителей
- Держатель низковольтного ножевого плавкого предохранителя
- Звонок модульный для распределительных щитов
- Индикатор световой модульный для распределительных щитов
- Кнопка модульная для распределительных щитов
- Маркировочный материал
- Многофункциональный измерительный прибор
- Основание для цилиндрического предохранителя
- Плавкий предохранитель низковольтный ножевой
- Пускатель магнитный модульный для распределительных щитов
- Регулятор температуры модульный для распределительных щитов
- Реле времени модульное для распределительных щитов
- Реле времени цифровое
- Реле импульсное
- Розетка модульная для распределительных щитов
- Розеточный таймер
- Устройство блокировки для модульных выключателей
- Устройство защитного отключения (УЗО)
- Цилиндрический предохранитель
-
Электрические распределительные системы (в том числе электроустановочное оборудование)
- Панель монтажная для распределительных щитков
- Щиток учета пустотелый
- Аксессуары для небольших распределительных панелей
- Корпус пустотелый
- Крышка модулей для измерительных/распределительных щитков
- Малогабаритный распределительный щиток в сборе
- Панель ввода для малогабаритного корпуса/щита
- Распределительный щиток для стройплощадки
- Щиток распределительный малогабаритный
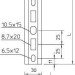
Артикул: 201878
Рейка профильная 30х15 L1000 C30 L 1M FT (дл.1м) OBO 1109863
Категория: Рейки профильные конструкционные/несущие
Рейка профильная 30х15 L1000 C30 L 1M FT (дл.1м) OBO 1109863
Купить
Характеристики
- Вес
- 5 кг
- Толщина материала
- 1.5 мм
- Форма профиля
- C-профиль
- С зубьями
- Нет
- Тип перфорации
- Нет (без)
- Сопротивление на изгиб
- .2392 cm4
- Сопротивление на кручение
- 1.2156 cm4
- Отламывающиеся
- Нет
- Бренд
- OBO Bettermann
- Исполнение
- Простой профиль
- Защитное покрытие поверхности
- Горячее цинкование
- Длина
- 1000 мм
- Материал
- Сталь
- Ширина слота, прорези, щели
- 16 мм
- Габариты
- 1 × 0.1 × 0.02 м
- Высота
- 15 мм
- Ширина
- 30 мм
Отзывы (0)

