
Лебедка ТЛ-14В предназначена для производства подъемно-транспортных операций при строительных, монтажных и других работах, а также для комплектации строительных подъемных устройств.
Лебедка не предназначена для подъема людей.
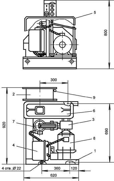
СОСТАВ ЛЕБЕДКИ
1. Рама
2. Барабан
3. Муфта
4. Установка пусковой аппаратуры
5. Кожух
6. Редуктор
7. Тормоз
8. Электродвигатель
9. Канат
Климатическое исполнение
Климатическое исполнение "У" и "Т", категория "2" по ГОСТ 15150-69.
Лебедка рассчитана для работы в следующих условиях:
1) окружающая среда - невзрывоопасная;
2) температура окружающей среды от +40°С до - 40° С;
3) рабочее положение - крепление на горизонтальной площадке;
4) режим работы легкий;
5) рабочее напряжение 380В, частота тока 50Гц.
Срок службы -10 лет.
Технические характеристики
| Тяговое усилие, кгс | 630 |
| Скорость навивки каната на первом слое, м/с | 0,35 |
| Диаметр барабана, мм | 140 |
| Канатоемкость барабана, м | 50 |
| Электродвигатель мощность при ПВ=40%,кВт | 3,0 |
| Диаметр каната, мм | 6,9 |
| Редуктор | 1Ц2У-160 |
| Тормоз | ТКГ-160 |
| Габаритные размеры лебедки | 950х620х800 |
| Масса лебедки без каната, кг | 220 |
Если Вы не нашли интересующую Вас позицию или хотите уточнить цену свяжитесь с сотрудниками компании «Олэлектро строй» по указанным на нашем сайте контактным телефонам, и мы предоставим Вам полную информацию!

