Назначение редуктора 1Ц2У-125
Редукторы цилиндрические двухступенчатые узкие горизонтальные общемашиностроительного применения типов 1Ц2У-135, 1Ц2У-160, 1Ц2У-200, 1Ц2У-250 предназначены для увеличения крутящего момента и уменьшения частоты вращения.
Условия применения редуктора 1Ц2У-125
- нагрузка постоянная и переменная, одного направления и реверсивная;
- работа постоянная или с периодическими остановками;
- вращение валов в любую сторону;
- частота вращения входного вала не должна превышать 1800 об/мин;
- атмосфера типов I и II по ГОСТ 15150-69 при запыленности воздуха не более 10 мг/м3;
- климатические исполнения У, Т ( для категории размещения 1...3 ) и климатические исполнения УХЛ и О ( для категорий размещения 4 ) по ГОСТ 15150-69.
Основные технические данные редуктора 1Ц2У-125
| Параметры | Типоразмер редуктора | ||
|---|---|---|---|
Номинальное передаточное отношение, i |
8,0; 10,0; 12,5; 16,0; 20,0; 25,0; 31,5; 40,0 | ||
Номинальный крутящий момент на выходном валу, Н×м, при непрерывном (Н) режиме работы (ПВ=100% ) |
630 | ||
| Номинальный крутящий момент на выходном валу, Н×м, при работе в повторно-кратковремен-ных режимах | Тяжелый (Т) (ПВ 40%) |
630 | |
| Средний (С) (ПВ 25%) |
|||
| Легкий (Л) (ПВ 15%) |
|||
| Номинальная радиальная консольная нагрузка, приложенная в середине посадочной поверхности выходного конца вала, Н | быстроходного | Непрерывный (Н) (ПВ100%) |
750 |
| Тяжелый (Т) (ПВ 40%) |
|||
| Средний (С) (ПВ 25%) |
|||
| Легкий (Л) (ПВ 15%) |
|||
| тихоходного | Непрерывный (Н) (ПВ100%) |
6300 | |
| Тяжелый (Т) (ПВ 40%) |
|||
| Средний (С) (ПВ 25%) |
|||
| Легкий (Л) (ПВ 15%) |
|||
| Масса, кг | с чугунным корпусом | - | |
| с алюминиевым корпусом | 31,5 | ||
Габаритные размеры редуктора 1Ц2У-125
awб | awт | L | L1 | l | l1 | l2 | l3 | H | H1 | h | A | A1 | B | B1 | Ød | |
|---|---|---|---|---|---|---|---|---|---|---|---|---|---|---|---|---|
| Чугун. корп. | Алюм. корп. | |||||||||||||||
| 125 | 80 | 446 | 375 | 160 | 106 | 145 | 206 | 272 | 132 | - | 22±3 | 335 | 125 | 175 | 165 | 19 |
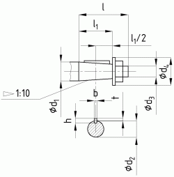
Присоединительные размеры конических валов редуктора 1Ц2У-125
| Вал | d1 | d2 | d3 | d4 | l | l1 | b | h | t |
|---|---|---|---|---|---|---|---|---|---|
| быстроходный | 20 | 18,2 | m12×1,25 | 30 | 50 | 36 | 4 | 4 | 2,5 |
| тихоходный | 45 | 40,90 | m30×2,0 | 56 | 110 | 82 | 12 | 8 | 5,0 |
Присоединительные размеры цилиндрических валов редуктора 1Ц2У-125
| быстроходный вал | |||
|---|---|---|---|
| d | i | b | t |
| 18k6 | 36 | 6 | 20,5 |
| тихоходный вал | |||
|---|---|---|---|
| d | i | b | t |
| 40m6 | 82 | 12 | 43 |
Варианты сборки редуктора 1Ц2У-125
Пример записи условного обозначения редуктора 1Ц2У-125
| 1Ц2У-125-40-11-К-УЗ | |
|---|---|
| 1Ц2У | тип редуктора |
| 125 | межосевое расстояние выходной ступени, мм |
| 40 | передаточное отношение |
| 11 | вариант сборки |
| К | исполнение конца выходного вала |
| УЗ | климатическое исполнение и категория размещения по ГОСТ 15150-69 |
*Приведенные выше технические характеристики и варианты комплектации могут изменяться со временем, и отличаться от информации, опубликованной на сайте. Чтобы уточнить описание, цену или если Вы не нашли интересующую Вас позицию свяжитесь с сотрудниками компании «Олэлектро строй» по указанным на нашем сайте контактным телефонам, и мы предоставим Вам полную информацию!




