«Олэлектро строй» производит ящики управления Я5000 как по стандартной, так и по предоставляемой Заказчиком технической и проектной документации. Выпускаемые электрощиты (электрошкафы) соответствуют требованиям технического регламента Таможенного союза «О безопасности низковольтного оборудования» (ТР ТС 004/2011), что подтверждается сертификатами соответствия.
Заказать изготовление и рассчитать цену ящиков управления Я5000 необходимой комплектации можно у наших специалистов по электронной почте или телефонам указанным на сайте.
Основные сведения о ящике управления Я5000
Ящики управления Я5000 предназначены для управления асинхронными электродвигателями с короткозамкнутым ротором, работающими в продолжительном, кратковременном или повторно-кратковременном режимах. Основное применение: для одиночных приводов с местным или дистанционным управлением.
Ящик имеет сварную конструкцию корпуса с дверью на петлях, фиксируемой замком, обеспечивающим степень защиты IP31. По индивидуальному заказу возможно производство ящиков в уплотненном исполнении со степенью защиты IP54. Аппаратура устанавливается в ящике на специальной панели и на внутренней стороне двери.
Сроки изготовления от 2 до 5 дней.
Условия эксплуатации ящика управления Я5000
- высота установки над уровнем моря не более 1000м
- окружающая среда-атмосфера типа II по ГОСТ 15150-69, при этом должна быть взрывобезопасной, пожаробезопасной не содержать токопроводящей пыли, агрессивных газов и паров в концентрациях, снижающих параметры изделия.
Структура условного обозначения
Я 5ХХХ-ХХХХ УХЛ4 - ящик управления
Я 5ХХХ-ХХХХ УХЛ4 - класс НКУ по назначению:
- 5 - управление асинхронными двигателями с короткозамкнутым ротором.
Я 5ХХХ-ХХХХ УХЛ4 - группа в классе 5
- 1 - управление нереверсивными двигателями;
- 4 - управление реверсивными двигателями.
Я 5ХХХ-ХХХХ УХЛ4 - порядковый номер по таблице
Я 5ХХХ-ХХХХ УХЛ4 - типовой индекс схемы
Я 5ХХХ-ХХХХ УХЛ4 - климатическое исполнение и категория размещения по ГОСТ 15150-69
Номенклатура ящиков управления серии Я5000
| Тип ящиков управления | Кол. двигателей (фидеров) | Способ питания цепи управления | Аппараты на двери | |||
| Нереверсивный | Реверсивный | |||||
| Ящики с автоматическими выключателями на каждый фидер | ||||||
| Я5110 | Я5410 | 1 | фазным напряжением | Кнопка и лампа | ||
| Я5111 | Я5411 | Кнопка, лампа и переключатель | ||||
| Я5112 | Я5412 | независимое или линейным напряжением | Кнопка и лампа | |||
| Я5113 | Я5413 | Кнопка, лампа и переключатель | ||||
| Я5114 | Я5414 | 2 | фазным напряжением | Кнопка и лампа | ||
| Я5115 | Я5415 | Кнопка, лампа и переключатель | ||||
| Ящики с одним автоматическим выключателем на два фидера | ||||||
| Я5125 | Я5424 | 2 | фазным напряжением | Кнопка и лампа | ||
| Я5125 | Я5425 | Кнопка, лампа и переключатель | ||||
| Ящики без автоматического выключателя | ||||||
| Я5130 | Я5430 | 1 | фазным напряжением | Кнопка и лампа | ||
| Я5131 | Я5431 | Кнопка, лампа и переключатель | ||||
| Я5134 | Я5434 | 2 | фазным напряжением | Кнопка и лампа | ||
| Я5135 | Я5435 | Кнопка, лампа и переключатель | ||||
| Ящики с промежуточным реле | ||||||
| Я5141 | Я5441 | 1 | фазным напряжением | Кнопка, лампа и переключатель | ||
| Ящики с клеммниками | ||||||
| Я5001 | 40 клеммных зажимов | Зажимы цепей управления | Предназначены для транзита цепей управления | |||
| Я5003 | 60 клеммных зажимов | |||||
| Я5004 | 120 клеммных зажимов | |||||
| Я5005 | 6 клеммных зажимов | Силовые зажимы на ток 63А | Для питания ящиков | |||
Напряжение силовой цепи и цепей управления ящиков Я5000
| Способ питания цепи управления | Номинальное напряжение цепей, В | 3-й и 4-й знаки типового индекса | |
| силовой | управления | ||
| фазным напряжением от собственной силовой цепи | 380, 50 Гц | 220, 50 Гц | 74 |
| линейным напряжением от собственной силовой цепи | 380, 50 Гц | 380, 50Гц | 77 |
| от независимого источника | 380, 50 Гц | 110, 50 Гц | 73 |
| 220, 50 Гц | 74 | ||
Основные технические характеристики ящиков управления Я5000
| Тип | Типовой индекс | Номин. ток ящика, А | Предел регулировки тока теплового реле, А | Номин. ток расцеп. авт. выкл., А | Номинальное напряжение цепей, В | |
| силовой | управления | |||||
| Двухфидерные реверсивные с автоматическим выключателем, кнопками и лампой на каждый фидер | ||||||
| Я5110 | 1874 УХЛ4 | 0,6 | 0,38-0,65 | 1,6 | 380 50 Гц | 220 50 Гц |
| 2074 УХЛ4 | 1,0 | 0,61-1,0 | 1,6 | |||
| 2274 УХЛ4 | 1,6 | 0,95-1,6 | 2,0 | |||
| 2474 УХЛ4 | 2,5 | 1,5-2,6 | 3,15 | |||
| 2674 УХЛ4 | 4,0 | 2,4-4,0 | 5,0 | |||
| 2874 УХЛ4 | 6,0 | 3,8-6,0 | 8,0 | |||
| 2974 УХЛ4 | 8,0 | 5,5-8,0 | 10,0 | |||
| 3074 УХЛ4 | 10,0 | 7,0-10,0 | 12,5 | |||
| 3174 УХЛ4 | 12,5 | 9,5-14,0 | 16,0 | |||
| 3274 УХЛ4 | 16,0 | 13,0-19,0 | 20,0 | |||
| 3474 УХЛ4 | 25,0 | 18,0-25,0 | 31,5 | |||
| 3574 УХЛ4 | 32,0 | 27,2-36,8 | 40,0 | |||
| 3674 УХЛ4 | 40,0 | 34,0-40,0 | 50,0 | |||
| 3774 УХЛ4 | 50,0 | 42,5-57,5 | 63,0 | |||
| 3874 УХЛ4 | 63,0 | 53,5-63,0 | 80,0 | |||
| 3974 УХЛ4 | 80,0 | 68,0-92,0 | 100,0 | |||
| 4074 УХЛ4 | 100,0 | 85,0-100,0 | 125,0 | |||
| 4174 УХЛ4 | 125,0 | 106,0-143,0 | 160,0 | |||
| 4274-УХЛ4 | 160,0 | 136,0-160,0 | 160,0 | |||
| Однофидерные нереверсивные с автоматическим выключателем, кнопками, лампой, переключателем | ||||||
| Я5111 | 1874 УХЛ4 | 0,6 | 0,38-0,65 | 1,6 | 380 50 Гц | 220 50 Гц |
| 2074 УХЛ4 | 1,0 | 0,61-1,0 | 1,6 | |||
| 2274 УХЛ4 | 1,6 | 0,95-1,6 | 2,0 | |||
| 2474 УХЛ4 | 2,5 | 1,5-2,6 | 3,15 | |||
| 2674 УХЛ4 | 4,0 | 2,4-4,0 | 5,0 | |||
| 2874 УХЛ4 | 6,0 | 3,8-6,0 | 8,0 | |||
| 2974 УХЛ4 | 8,0 | 5,5-8,0 | 10,0 | |||
| 3074 УХЛ4 | 10,0 | 7,0-10,0 | 12,5 | |||
| 3174 УХЛ4 | 12,5 | 9,5-14,0 | 16,0 | |||
| 3274 УХЛ4 | 16,0 | 13,0-19,0 | 20,0 | |||
| 3474 УХЛ4 | 25,0 | 18,0-25,0 | 31,5 | |||
| 3574 УХЛ4 | 2,0 | 27,2-36,8 | 40,0 | |||
| 3674 УХЛ4 | 40,0 | 34,0-40,0 | 50,0 | |||
| 3774 УХЛ4 | 50,0 | 42,5-57,5 | 63,0 | |||
| 3874 УХЛ4 | 63,0 | 53,5-63,0 | 80,0 | |||
| 3974 УХЛ4 | 80,0 | 68,0-92,0 | 100,0 | |||
| 4074 УХЛ4 | 100,0 | 85,0-100,0 | 125,0 | |||
| 4174 УХЛ4 | 125,0 | 106,0-143,0 | 160,0 | |||
| 4274 УХЛ4 | 160,0 | 136,0-160,0 | 160,0 | |||
| Однофидерные реверсивные с автоматическим выключателем, кноп и и лампами | ||||||
| Я5410 | 1874 УХЛ4 | 0,6 | 0,38-0,65 | 1,6 | 380 50 Гц | 220 50 Гц |
| 2074 УХЛ4 | 1,0 | 0,61-1,0 | 1,6 | |||
| 2274 УХЛ4 | 1,6 | 0,95-1,6 | 2,0 | |||
| 2474 УХЛ4 | 2,5 | 1,5-2,6 | 3,15 | |||
| 2674 УХЛ4 | 4,0 | 2,4-4,0 | 5,0 | |||
| 2874 УХЛ4 | 6,0 | 3,8-6,0 | 8,0 | |||
| 2974 УХЛ4 | 8,0 | 5,5-8,0 | 10,0 | |||
| 3074 УХЛ4 | 10,0 | 7,0-10,0 | 12,5 | |||
| 3174 УХЛ4 | 12,5 | 9,5-14,0 | 16,0 | |||
| 3274 УХЛ4 | 16,0 | 13,0-19,0 | 20,0 | |||
| 3474 УХЛ4 | 25,0 | 18,0-25,0 | 31,5 | |||
| 3574 УХЛ4 | 32,0 | 27,2-36,8 | 40,0 | |||
| 3674 УХЛ4 | 40,0 | 34,0-40,0 | 50,0 | |||
| 3774 УХЛ4 | 50,0 | 42,5-57,5 | 63,0 | |||
| 3874 УХЛ4 | 63,0 | 53,5-63,0 | 80,0 | |||
| 3974 УХЛ4 | 80,0 | 68,0-92,0 | 100,0 | |||
| 4074 УХЛ4 | 100,0 | 85,0-100,0 | 125,0 | |||
| 4174 УХЛ4 | 125,0 | 106,0-143,0 | 160,0 | |||
| 4274 УХЛ4 | 160,0 | 136,0-160,0 | 160,0 | |||
| Однофидерные реверсивные с автоматическим выключателем, кнопками, лампами, переключателем | ||||||
| Я5411 | 1874 УХЛ4 | 0,6 | 0,38-0,65 | 1,6 | 380 50 Гц | 220 50 Гц |
| 2074 УХЛ4 | 1,0 | 0,61-1,0 | 1,6 | |||
| 2274 УХЛ4 | 1,6 | 0,95-1,6 | 2,0 | |||
| 2474 УХЛ4 | 2,5 | 1,5-2,6 | 3,15 | |||
| 2674 УХЛ4 | 4,0 | 2,4-4,0 | 5,0 | |||
| 2874 УХЛ4 | 6,0 | 3,8-6,0 | 8,0 | |||
| 2974 УХЛ4 | 8,0 | 5,5-8,0 | 10,0 | |||
| 3074 УХЛ4 | 10,0 | 7,0-10,0 | 12,5 | |||
| 3174 УХЛ4 | 12,5 | 9,5-14,0 | 16,0 | |||
| 3274 УХЛ4 | 16,0 | 13,0-19,0 | 20,0 | |||
| 3474 УХЛ4 | 25,0 | 18,0-25,0 | 31,5 | |||
| 3574 УХЛ4 | 32,0 | 27,2-36,8 | 40,0 | |||
| 3674 УХЛ4 | 40,0 | 34,0-40,0 | 50,0 | |||
| 3774 УХЛ4 | 50,0 | 42,5-57,5 | 63,0 | |||
| 3874 УХЛ4 | 63,0 | 53,5-63,0 | 80,0 | |||
| 3974 УХЛ4 | 80,0 | 68,0-92,0 | 100,0 | |||
| 4074 УХЛ4 | 100,0 | 85,0-100,0 | 125,0 | |||
| 4174 УХЛ4 | 125,0 | 106,0-143,0 | 160,0 | |||
| 4274 УХЛ4 | 160,0 | 136,0-160,0 | 160,0 | |||
| Однофидерные нереверсивные с автоматическим выключателем, кнопками, и лампой | ||||||
| Я5112 | 18хх УХЛ4 | 0,6 | 0,38-0,65 | 1,6 | 380 50 Гц | таблица «Напряжение силовой цепи и цепей управления ящиков» |
| 20хх УХЛ4 | 1,0 | 0,61-1,0 | 1,6 | |||
| 22хх УХЛ4 | 1,6 | 0,95-1,6 | 2,0 | |||
| 24хх УХЛ4 | 2,5 | 1,5-2,6 | 3,15 | |||
| 26хх УХЛ4 | 4,0 | 2,4-4,0 | 5,0 | |||
| 28хх УХЛ4 | 6,0 | 3,8-6,0 | 8,0 | |||
| 29хх УХЛ4 | 8,0 | 5,5-8,0 | 10,0 | |||
| 30хх УХЛ4 | 10,0 | 7,0-10,0 | 12,5 | |||
| 31хх УХЛ4 | 12,5 | 9,5-14,0 | 16,0 | |||
| 32хх УХЛ4 | 16,0 | 13,0-19,0 | 20,0 | |||
| 34хх УХЛ4 | 25,0 | 18,0-25,0 | 31,5 | |||
| 35хх УХЛ4 | 32,0 | 27,2-36,8 | 40,0 | |||
| 36хх УХЛ4 | 40,0 | 34,0-40,0 | 50,0 | |||
| 37хх УХЛ4 | 50,0 | 42,5-57,5 | 63,0 | |||
| 38хх УХЛ4 | 63,0 | 53,5-63,0 | 80,0 | |||
| 39хх УХЛ4 | 80,0 | 68,0-92,0 | 100,0 | |||
| 40хх УХЛ4 | 100,0 | 85,0-100,0 | 125,0 | |||
| 41хх УХЛ4 | 125,0 | 106,0-143,0 | 160,0 | |||
| 42хх УХЛ4 | 160,0 | 136,0-160,0 | 160,0 | |||
| Однофидерные нереверсивные с автоматическим выключателем, кнопками, лампой, переключателем | ||||||
| Я5113 | 18хх УХЛ4 | 0,6 | 0,38-0,65 | 1,6 | 380 50 Гц | таблица «Напряжение силовой цепи и цепей управления ящиков» |
| 20хх УХЛ4 | 1,0 | 0,61-1,0 | 1,6 | |||
| 22хх УХЛ4 | 1,6 | 0,95-1,6 | 2,0 | |||
| 24хх УХЛ4 | 2,5 | 1,5-2,6 | 3,15 | |||
| 26хх УХЛ4 | 4,0 | 2,4-4,0 | 5,0 | |||
| 28хх УХЛ4 | 6,0 | 3,8-6,0 | 8,0 | |||
| 29хх УХЛ4 | 8,0 | 5,5-8,0 | 10,0 | |||
| 30хх УХЛ4 | 10,0 | 7,0-10,0 | 12,5 | |||
| 31хх УХЛ4 | 12,5 | 9,5-14,0 | 16,0 | |||
| 32хх УХЛ4 | 16,0 | 13,0-19,0 | 20,0 | |||
| 34хх УХЛ4 | 25,0 | 18,0-25,0 | 31,5 | |||
| 35хх УХЛ4 | 32,0 | 27,2-36,8 | 40,0 | |||
| 36хх УХЛ4 | 40,0 | 34,0-40,0 | 50,0 | |||
| 37хх УХЛ4 | 50,0 | 42,5-57,5 | 63,0 | |||
| 38хх УХЛ4 | 63,0 | 53,5-63,0 | 80,0 | |||
| 39хх УХЛ4 | 80,0 | 68,0-92,0 | 100,0 | |||
| 40хх УХЛ4 | 100,0 | 85,0-100,0 | 125,0 | |||
| 41хх УХЛ4 | 125,0 | 106,0-143,0 | 160,0 | |||
| 42хх УХЛ4 | 160,0 | 136,0-160,0 | 160,0 | |||
| Однофидерные реверсивные с автоматическим выключателем, кнопками, лампами | ||||||
| Я5412 | 18хх УХЛ4 | 0,6 | 0,38-0,65 | 1,6 | 380 50 Гц | таблица «Напряжение силовой цепи и цепей управления ящиков» |
| 20хх УХЛ4 | 1,0 | 0,61-1,0 | 1,6 | |||
| 22хх УХЛ4 | 1,6 | 0,95-1,6 | 2,0 | |||
| 24хх УХЛ4 | 2,5 | 1,5-2,6 | 3,15 | |||
| 26хх УХЛ4 | 4,0 | 2,4-4,0 | 5,0 | |||
| 28хх УХЛ4 | 6,0 | 3,8-6,0 | 8,0 | |||
| 29хх УХЛ4 | 8,0 | 5,5-8,0 | 10,0 | |||
| 30хх УХЛ4 | 10,0 | 7,0-10,0 | 12,5 | |||
| 31хх УХЛ4 | 12,5 | 9,5-14,0 | 16,0 | |||
| 32хх УХЛ4 | 16,0 | 13,0-19,0 | 20,0 | |||
| 34хх УХЛ4 | 25,0 | 18,0-25,0 | 31,5 | |||
| 35хх УХЛ4 | 32,0 | 27,2-36,8 | 40,0 | |||
| 36хх УХЛ4 | 40,0 | 34,0-40,0 | 50,0 | |||
| 37хх УХЛ4 | 50,0 | 42,5-57,5 | 63,0 | |||
| 38хх УХЛ4 | 63,0 | 53,5-63,0 | 80,0 | |||
| 39хх УХЛ4 | 80,0 | 68,0-92,0 | 100,0 | |||
| 40хх УХЛ4 | 100,0 | 85,0-100,0 | 125,0 | |||
| 41хх УХЛ4 | 125,0 | 106,0-143,0 | 160,0 | |||
| 42хх УХЛ4 | 160,0 | 136,0-160,0 | 160,0 | |||
| Однофидерные реверсивные с автоматическим выключателем, кнопками, лампами, переключателем | ||||||
| Я5413 | 18хх УХЛ4 | 0,6 | 0,38-0,65 | 1,6 | 380 50 Гц | таблица «Напряжение силовой цепи и цепей управления ящиков» |
| 20хх УХЛ4 | 1,0 | 0,61-1,0 | 1,6 | |||
| 22хх УХЛ4 | 1,6 | 0,95-1,6 | 2,0 | |||
| 24хх УХЛ4 | 2,5 | 1,5-2,6 | 3,15 | |||
| 26хх УХЛ4 | 4,0 | 2,4-4,0 | 5,0 | |||
| 28хх УХЛ4 | 6,0 | 3,8-6,0 | 8,0 | |||
| 29хх УХЛ4 | 8,0 | 5,5-8,0 | 10,0 | |||
| 30хх УХЛ4 | 10,0 | 7,0-10,0 | 12,5 | |||
| 31хх УХЛ4 | 12,5 | 9,5-14,0 | 16,0 | |||
| 32хх УХЛ4 | 16,0 | 13,0-19,0 | 20,0 | |||
| 34хх УХЛ4 | 25,0 | 18,0-25,0 | 31,5 | |||
| 35хх УХЛ4 | 32,0 | 27,2-36,8 | 40,0 | |||
| 36хх УХЛ4 | 40,0 | 34,0-40,0 | 50,0 | |||
| 37хх УХЛ4 | 50,0 | 42,5-57,5 | 63,0 | |||
| 38хх УХЛ4 | 63,0 | 53,5-63,0 | 80,0 | |||
| 39хх УХЛ4 | 80,0 | 68,0-92,0 | 100,0 | |||
| 40хх УХЛ4 | 100,0 | 85,0-100,0 | 125,0 | |||
| 41хх УХЛ4 | 125,0 | 106,0-143,0 | 160,0 | |||
| 42хх УХЛ4 | 160,0 | 136,0-160,0 | 160,0 | |||
| Двухфидерные нереверсивные с автоматическим выключателем, кнопками и лампой на каждый фидер | ||||||
| Я5114 | 1874 УХЛ4 | 0,6 | 0,38-0,65 | 1,6 | 380 50 Гц | 220 50 Гц |
| 2074 УХЛ4 | 1,0 | 0,61-1,0 | 1,6 | |||
| 2274 УХЛ4 | 1,6 | 0,95-1,6 | 2,0 | |||
| 2474 УХЛ4 | 2,5 | 1,5-2,6 | 3,15 | |||
| 2674 УХЛ4 | 4,0 | 2,4-4,0 | 5,0 | |||
| 2874 УХЛ4 | 6,0 | 3,8-6,0 | 8,0 | |||
| 2974 УХЛ4 | 8,0 | 5,5-8,0 | 10,0 | |||
| 3074 УХЛ4 | 10,0 | 7,0-10,0 | 12,5 | |||
| 3174 УХЛ4 | 12,5 | 9,5-14,0 | 16,0 | |||
| 3274 УХЛ4 | 16,0 | 13,0-19,0 | 20,0 | |||
| 3474 УХЛ4 | 25,0 | 18,0-25,0 | 31,5 | |||
| 3574 УХЛ4 | 32,0 | 27,2-36,8 | 40,0 | |||
| 3674 УХЛ4 | 40,0 | 34,0-40,0 | 50,0 | |||
| Двухфидерные нереверсивные с автоматическим выключателем, кнопками, лампой и переключателем на каждый фидер | ||||||
| Я5115 | 1874 УХЛ4 | 0,6 | 0,38-0,65 | 1,6 | 380 50 Гц | 220 50 Гц |
| 2074 УХЛ4 | 1,0 | 0,61-1,0 | 1,6 | |||
| 2274 УХЛ4 | 1,6 | 0,95-1,6 | 2,0 | |||
| 2474 УХЛ4 | 2,5 | 1,5-2,6 | 3,15 | |||
| 2674 УХЛ4 | 4,0 | 2,4-4,0 | 5,0 | |||
| 2874 УХЛ4 | 6,0 | 3,8-6,0 | 8,0 | |||
| 2974 УХЛ4 | 8,0 | 5,5-8,0 | 10,0 | |||
| 3074 УХЛ4 | 10,0 | 7,0-10,0 | 12,5 | |||
| 3174 УХЛ4 | 12,5 | 9,5-14,0 | 16,0 | |||
| 3274 УХЛ4 | 16,0 | 13,0-19,0 | 20,0 | |||
| 3474 УХЛ4 | 25,0 | 18,0-25,0 | 31,5 | |||
| 3574 УХЛ4 | 32,0 | 27,2-36,8 | 40,0 | |||
| 3674 УХЛ4 | 40,0 | 34,0-40,0 | 50,0 | |||
Электрические принципиальные схемы ящиков управления Я5000

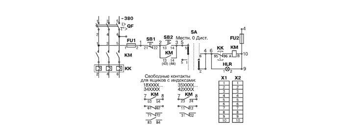
1.Схема электрическая принципиальная ящика управления Я5110

2.Схема электрическая принципиальная ящика управления Я5111

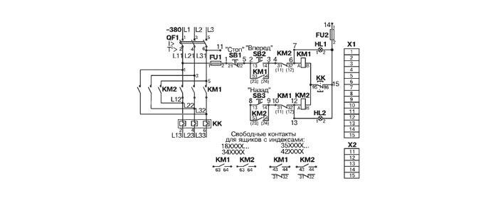
3.Схема электрическая принципиальная ящика управления Я5410

4.Схема электрическая принципиальная ящика управления Я5411

5.Схема электрическая принципиальная ящика управления Я5112

6.Схема электрическая принципиальная ящика управления Я5113

7.Схема электрическая принципиальная ящика управления Я5412

8.Схема электрическая принципиальная ящика управления Я5413

9.Схема электрическая принципиальная ящика управления Я5114

10.Схема электрическая принципиальная ящика управления Я5115


