Лебедка предназначена для производства строительных, монтажных и других работ, а также для комплектации строительных подъемных устройств. Лебедка не предназначена для подъема людей. Климатическое исполнение "У", категория "2" по ГОСТ 15150-69.
Лебедка рассчитана для работы в следующих условиях:
- окружающая среда - невзрывоопасная;
- температура окружающей среды от +40°С до - 40°С;
- рабочее положение - крепление на горизонтальной площадке;
- режим работы легкий;
- рабочее напряжение 380В, частота тока 50Гц.
Срок службы - 10 лет.
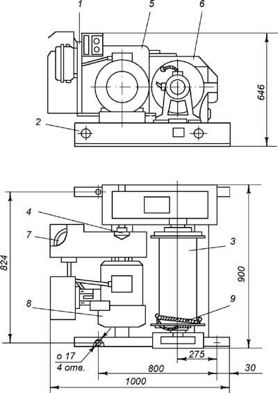
Конструкция лебедки:
- Установка пусковой аппаратуры
- Рама
- Барабан в сборе
- Муфта
- Кожух
- Редуктор
- Тормоз
- Эелектродвигатель
- Канат
Технические характеристики:
| Тяговое усилие, кгс | 2000 |
| Скорость навивки каната на первом слое, м/с | 0,25 |
| Диаметр барабана, мм | 299 |
| Канатоемкость барабана, м | 150 |
| Электродвигатель мощность при ПВ=40%,кВт | 11 |
| Диаметр каната, мм | 14 |
| Редуктор | 1Ц3У-200 |
| Тормоз | ТКГ-200 |
| Габаритные размеры лебедки | 900х1000х646 |
| Масса лебедки без каната, кг | 600 |
Если Вы не нашли интересующую Вас позицию или хотите уточнить цену на свяжитесь с сотрудниками компании «Олэлектро строй» по указанным на нашем сайте контактным телефонам, и мы предоставим Вам полную информацию!


