Если Вы ищите, где купить качественный редуктор 1Ц3У-160, то в «Олэлектро строй» Вы всегда найдете нужное предложение. Мы продаем только качественную, сертифицированную и только новую продукцию, а не бывшую в употреблении. У нас Вы сможете купить 1Ц3У-160 по лучшей цене и с доставкой по всей Беларуси в удобное для вас место и время.
Назначение редуктора 1Ц3У-250
Редукторы цилиндрические трехступенчатые узкие горизонтальные общемашиностроительного применения типов 1Ц3У-160, 1Ц3У-200, 1Ц3У-250 предназначены для увеличения крутящего момента и уменьшения частоты вращения.
Условия применения редуктора 1Ц3У-250
- нагрузка постоянная и переменная, одного направления и реверсивная;
- работа постоянная или с периодическими остановками;
- вращение валов в любую сторону;
- частота вращения входного вала не должна превышать 1800 об/мин;
- атмосфера типов I и II по ГОСТ 15150-69 при запыленности воздуха не более 10 мг/м3;
- климатические исполнения У, Т (для категорий размещения 1...3) и климатические исполнения УХЛ и О (для категории размещения 4) по ГОСТ 1515069.
Пример условного обозначения при заказе редуктора 1Ц3У-250
- 1Ц3У-250-31,5-12-У3,
- 1Ц3У - типоразмер редуктора;
- 250 - межосевое расстояние, мм;
- 31,5 - передаточное число;
- 12 - схема сборки;
- Ц - исполнение с цилиндрическим концом вала;
- У3 - климатическое исполнение и категория размещения.
Основные технические данные редуктора редуктора 1Ц3У-250
Дополнительные материалы:
| Параметры | Типоразмер редуктора | ||
|---|---|---|---|
| 1Ц3У-250 | |||
| Номинальное передаточное отношение, i | 16; 20; 25; 31,5; 40; 45; 50; 56; 63; 80; 100; 125; 160; 200 | ||
| Номинальный крутящий момент на выходном валу, Н×м, при непрерывном (Н) режиме работы (ПВ=100% ) | 5000 | ||
| Номинальный крутящий момент на выходном валу, Н×м, при работе в повторно-кратковременных режимах | Тяжелый (Т) (ПВ 40%) |
6300 | |
| Средний (С) (ПВ 25%) |
8000 | ||
| Легкий (Л) (ПВ 15%) |
10000 | ||
| Номинальная радиальная консольная нагрузка, приложенная в середине посадочной поверхности выходного конца вала, Н | быстроходного | Непрерывный (Н) (ПВ100%) |
2240 |
| Тяжелый (Т) (ПВ 40%) |
2500 | ||
| Средний (С) (ПВ 25%) |
2800 | ||
| Легкий (Л) (ПВ 15%) |
3150 | ||
| тихоходного | Непрерывный (Н) (ПВ100%) |
18000 | |
| Тяжелый (Т) (ПВ 40%) |
20000 | ||
| Средний (С) (ПВ 25%) |
22400 | ||
| Легкий (Л) (ПВ 15%) |
25000 | ||
| Масса, кг | с чугунным корпусом | 335 | |
| с алюминиевым корпусом | - | ||
Габаритные размеры редуктора редуктора 1Ц3У-250
| awm | awn | awb | A | A1 | B | B1 | H | H1 | h | L | L1 | L2 | L3 | L4 | L5 | d |
|---|---|---|---|---|---|---|---|---|---|---|---|---|---|---|---|---|
| 250 | 160 | 125 | 750 | 218 | 290 | 280 | 530 | 265 | 32 | 950 | 825 | 212 | 290 | 236 | 335 | 28 |
Присоединительные размеры конических валов редуктора 1Ц3У-250
| Вал | d1 | d2 | l | l1 | b | t |
|---|---|---|---|---|---|---|
| быстроходный | 35 | M20×1,25 | 80 | 58 | 6 | 15,55 |
| тихоходный | 90 | M64×4,0 | 170 | 130 | 22 | 46,75 |
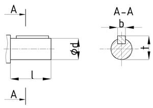
Присоединительные размеры цилиндрических валов редуктора 1Ц3У-250
| Вал | d | l | b | t |
|---|---|---|---|---|
| быстроходный | 25k6 | 58 | 8 | 28 |
| тихоходный | 85m6 | 130 | 22 | 90 |
Присоединительные размеры тихоходного вала редуктора 1Ц3У-250 в виде зубчатой полумуфты
| b | d | d1 | d2 | d3 | L | l | l1 | Зацепление | |
| m | z | ||||||||
| 35 | 232 | 150 | 120f8 | 170 | 208 | 10 | 50 | 4 | 56 |









